

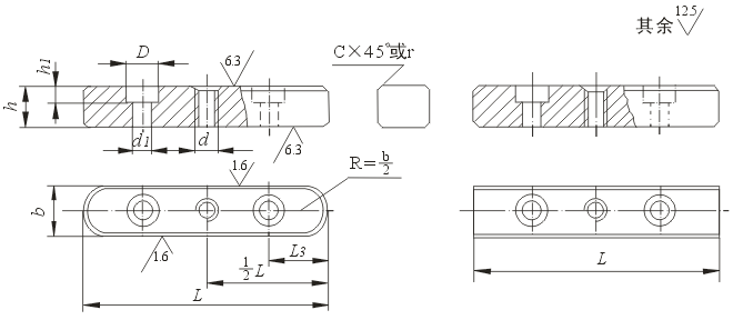
[GB1097-79导向平键]
产品描述:
| GB1097-79导向平键 | |||||||||||||||||||||||||||||||||||||||||||||||||||||||||||||||||||||||||||||||
![]() |
|||||||||||||||||||||||||||||||||||||||||||||||||||||||||||||||||||||||||||||||
|
|||||||||||||||||||||||||||||||||||||||||||||||||||||||||||||||||||||||||||||||
| 技术条件:材料45号钢; 其它技术条件按GB1568-79的规定。 |
Copyright © 2002-2013 上海慧敬五金机电有限公司 版权所有 Power by DedeCms 联系电话:021-60343027 18721968289 传真号码:021-54847325
DIN471轴用弹性挡圈,DIN472孔用弹性挡圈,弹性销,钢丝螺套



